датчики, контроллеры, измерители, регуляторы

 

 

Телефон: (3952) 68-55-99

68-11-22

 

 

Продажи: sales@siberien.ru

Бухгалтерия: buh@siberien.ru

 

 

 

 

 

664081, город Иркутск,

улица Красноказачья, дом 110

 

      
Главная Продукция О компании Доставка и оплата          

Контроллер для систем вентиляции и кондиционирования ТРМ133М   —   Модификация ТРМ133М-02

Краткое описание
Модификация ТРМ133М-02
Модификация ТРМ133М-04
Комплект для перепрошивки ТРМ133М*
Технические характеристики
Схема подключения
Отраслевые применения
Комплектность
Цены / купить

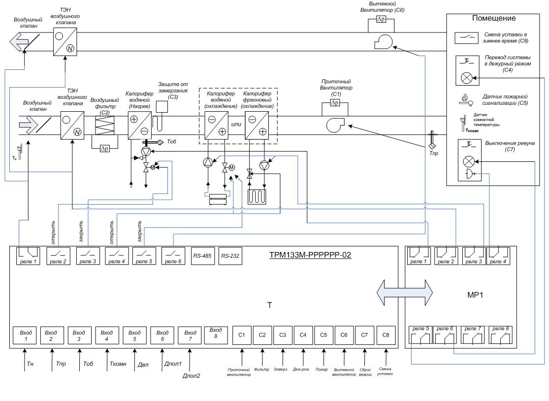
Функциональная схема прибора ОВЕН ТРМ133М-02

Модификация ТРМ133М-02
Функциональная схема прибора ОВЕН ТРМ133М-02

Обозначения при заказе

mod02_1
Обозначения при заказе
Яндекс.Метрика