датчики, контроллеры, измерители, регуляторы

 

 

Телефон: (3952) 68-55-99

68-11-22

 

 

Продажи: sales@siberien.ru

Бухгалтерия: buh@siberien.ru

 

 

 

 

 

664081, город Иркутск,

улица Красноказачья, дом 110

 

      
Главная Продукция О компании Доставка и оплата          

Контроллер для систем вентиляции и кондиционирования ТРМ133М   —   Схема подключения

Краткое описание
Модификация ТРМ133М-02
Модификация ТРМ133М-04
Комплект для перепрошивки ТРМ133М*
Технические характеристики
Схема подключения
Отраслевые применения
Комплектность
Цены / купить
Схема подключения ТРМ133М
Схема подключения

Схема подключения датчиков

Подключение термометра сопротивления или резистивного датчика по трехпроводной схеме
Подключение термометра сопротивления или резистивного датчика по трехпроводной схеме
Подключение активного датчика с выходом в виде напряжения 0….1В
Подключение активного датчика с выходом в виде напряжения 0….1В
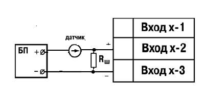
Подключение активного датчика с токовым выходом 0….5мА или 0(4)….20мА (Rш = 100Ом ±0,1%)
Подключение активного датчика с токовым выходом 0….5мА или 0(4)….20мА (Rш = 100Ом ±0,1%)

Схема подключения датчиков к дискретным входам

Схема подключения датчиков
Схема подключения датчиков
Яндекс.Метрика